Ventilace AVEO AIR Ventilace
Kód: 2991/CER7Související produkty
Detailní popis produktu
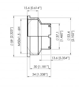
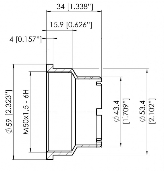
AveoAir ™ Kuličková ventilace AveoAir ™ Kuličková ventilace je vyrobena z hliníkové slitiny 2024, a tyto lehké otvory jsou eloxované. Instalace je jednoduchá s 2-piece design, žádné šrouby OTVORY májí možnost výběru ze 3 zadních standardních průměrů trubek. Můžete optimalizovat vaše proudění vzduchu. Vyberte si z 1,5 ", 1,75" nebo 2,0 "průměr (38 mm, 44 mm, 50 mm).
AveoAir Ventilační otvory pro Piper - identický vysoce kvalitní odvzdušňovací ventil od Aveo, ale se čtvercovou montážní deskou, která je náhradou „drop-in“ pro standardní plastové ventilační otvory
AveoAir Maxi přicházejí s výběrem ze 3 zadních standardních průměrů trubkových spojek SCAT, takže můžete optimalizovat průtok vzduchu. Vyberte si z průměrů 1,5 ″, 1,75 ″ nebo 2,0 ″ (38 mm, 44 mm, 50 mm).
AveoAir přicházejí s výběrem ze 3 zadních standardních průměrů trubkových spojek SCAT, takže můžete optimalizovat průtok vzduchu. Vyberte si z průměrů 1,5 ″, 1,75 ″ nebo 2,0 ″ (38 mm, 44 mm, 50 mm).
AveoAir Mesh přicházejí s výběrem ze 3 zadních standardních průměrů trubkových spojek SCAT, takže můžete optimalizovat průtok vzduchu. Vyberte si z průměrů 1,5 ″, 1,75 ″ nebo 2,0 ″ (38 mm, 44 mm, 50 mm).
Diskuze
Buďte první, kdo napíše příspěvek k této položce.
Pouze registrovaní uživatelé mohou vkládat příspěvky. Prosím přihlaste se nebo se registrujte.





